该系列91成人在线视频为机、电、液一体式,液压压紧,手动机械锁紧保压型。操作维护方便,运行安全可靠等特点。被广泛用于化工、石油、医药、食品、印染、皮革、冶炼、纺织等中小型企业的生产及污水处理设备。该系列91成人在线视频主要规格有:XA MY/Z/J(G) 5~32/630-UBK91成人在线视频有明流、暗流之分,它们各自又有滤饼的可洗式和可洗式。如需获得略干的滤饼,可向91成人在线视频通入干燥的压缩空气吹压,将滤饼中残余的部分水分再度排出。想进一步降低滤饼的含水率,可选购带隔膜压榨的91成人在线视频。如需在高温状况下进行悬浮液分离时,您可选用金属滤板的91成人在线视频。














以下是XY(J)5~32/ 630-U系列液压厢式91成人在线视频的相关介绍:
型号含义
X:代表厢式91成人在线视频。
Y:表示液压压紧方式。
J:可能指的是机械保压(具体含义因厂家而异)。
5~32:表示过滤面积,单位为平方米,该系列91成人在线视频的过滤面积在 5 平方米至 32 平方米之间。
630:通常指滤板的尺寸为 630mm×630mm。
U:表示滤板材质为非金属,默认为聚丙烯材质.
机架结构:主要由主机部分(包括机架部件、滤室部件)、滤板移动装置、滤布悬挂装置、液压部分、电气控制等部分组成。其中,主机部分的机架由两根横梁及其两端固定的止推板和液压缸座构成,滤室由排列在横梁上的滤板、滤布等组成;滤板移动装置用于实现滤板的逐块拉板;液压部分为压紧和放松滤板提供动力;电气控制部分则实现各功能的手动按钮和程序控制的自动操作。
工作原理:在输料泵的压力作用下,将需要过滤的物料液体送进由滤板排列组成的滤室,通过过滤介质(滤布),固体颗粒被截留在滤室内形成滤饼,滤液穿过滤布并沿滤板沟槽流至下方出液孔通道,集中排出。过滤完毕,可通入清洗涤水洗涤滤渣,洗涤后还可通入压缩空气,除去剩余的洗涤液。过滤结束后打开91成人在线视频卸除滤饼,清洗滤布,重新压紧滤板开始下一工作循环。
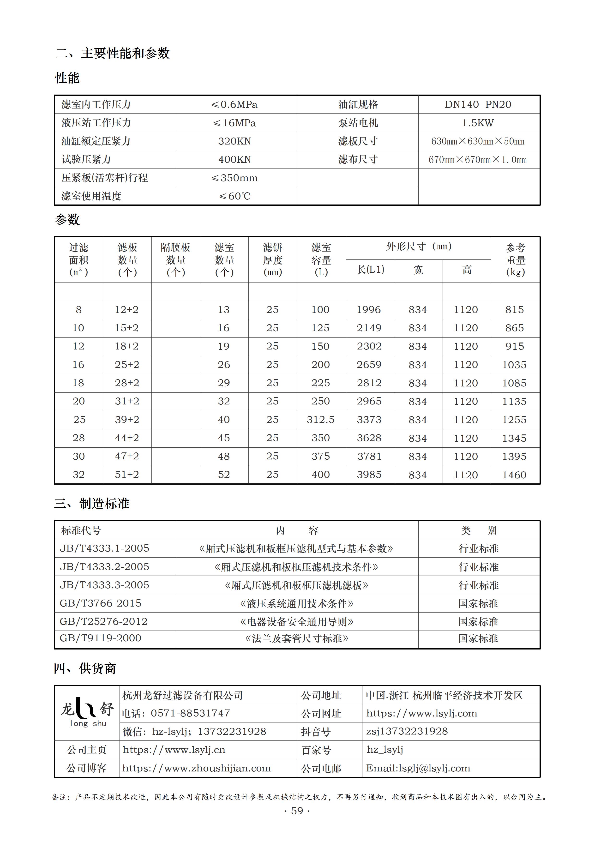
技术性能:
过滤压力:一般≤1.0MPa。液压工作压力:通常为 15MPa。压紧力:可达 320KN。
压紧板行程:300mm。使用温度1:≤100℃。
其他特点:可根据需要,采用 PLC 控制,可实现自动保压、自动拉板、自动进料、自动卸料、自动输料等功能,减少人工操作,提高工作效率。
操作维护方便:液压压紧,自动保压,运行安全可靠,且滤布更换方便,滤板和滤框易于清洗。
结构坚固:机架采用高强度钢结构,滤板、滤框采用增强聚丙烯一次模压成型,强度高,相对尺寸和化学性能稳定,耐酸碱,经久耐用。
密封性好:全机密封性好,拉板器运行部分均有护罩,既安全又防尘防腐。
应用领域:广泛用于化工、石油、医药、食品、印染、皮革、冶炼、纺织等企业的生产及污水处理1。在化工行业中用于各种化工原料的过滤提纯;在食品行业可用于果汁、植物油等的过滤澄清;在污水处理中对污泥进行脱水处理等。




本网站上展示的产品仅用于工业上的污水固、液分离,由于产品的专业性和专用性,每件商品的具体性能和使用方法均不尽相同,页面上的描述仅供参考,并不适用于每个具体商品,您在决定购买之前,务必事前(老板电话13732231928)沟通。谢谢您的理解和支持!(本站仅用于产品展示,不接受线上交易)




